Imaging and microscopy

Visualizing Geoscience: From High-Speed Dynamic Imaging and 3D Topography to Advanced Optical and Chemical Spectroscopy

The Imaging and Microscopy facility provides a multi-scale analytical suite designed to capture the dynamic and structural complexity of geological materials. Our infrastructure ranges from ultra-high-speed and thermographic cameras for monitoring rapid volcanic processes to advanced 3D confocal laser scanning and digital microscopy for precise topographical characterization. We offer specialized capabilities in Raman spectroscopy for non-destructive mineral identification, fluorescence microscopy for biological interactions, and dedicated ore microscopy for paleomagnetic research. These optical systems are complemented by our high-resolution Electron Microscopy and Electron Microprobe (EPMA) facilities, which provide the essential sub-micron chemical and structural imaging required for comprehensive earth science research, as well as X-ray diffraction and Atomic Force microscopy.

Microscopy

Confocal Laser Scanning Microscope (CLSM)
Room
C 347
Contact person
Bettina Scheu
Device
Confocal Laser Scanning Microscope (CLSM), Keyence VKX-1000
Description
Laser and white LED light for sample illumination and 3D topography measurements of Millimeter to Micrometer scale. Textural characterization of rocks, ceramics, or metals. Qualitative and quantitative analysis of volumes, surface areas, and roughness parameters with very high precision.The automated sample stage allows measurements of up to 50x50x7mm with up to 10nm resolution.

Confocal Laser Scanning Microscope for textural characterization of rocks, ceramics, or metals

© Bettina Scheu
Polarized light microscopy, Luisenstraße
Room
A 237
Contact person
Claudia Trepmann
Access regulations
by appointment
Availabe miroscopes
· 1 transmitted and reflected light polarization microscope (projection and foto, Leica)
· 6 transmitted and reflected light polarization microscopes (Leica DM750P)
· 2 transmitted light polarization microscope (Zeiss AxioScope, Axiolab, foto)
· 2 reflected light polarization microscope (Leitz)
· 1 stereomicroscope (Zeiss Discovery, foto)
· 2 U-stages mounted on transmitted light polarization microscopes

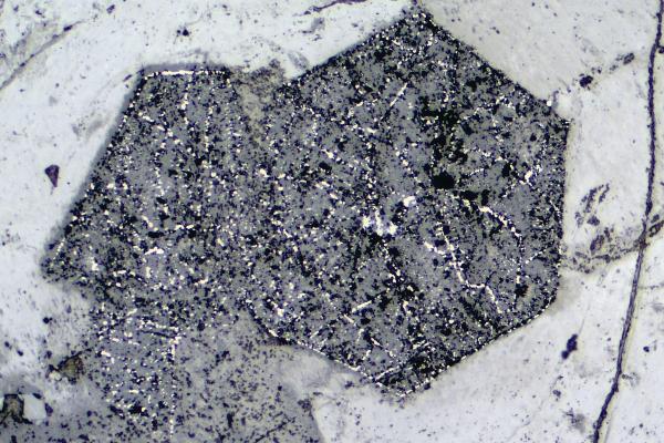
Polarized light micrograph (transmitted light, crossed polarizers, compensator plate) of mylonitic pegmatite, FH36, Austroalpine basement, Eastern European Alps (Hentschel et al. 2022)

© Claudia Trepmann

Polarized light micrograph (transmitted light, crossed polarizers) showing tourmaline bookshelf structure in mylonitic pegmatite, FH36, Austroalpine basement, Eastern European Alps (Hentschel et al. 2022)

© Claudia Trepmann

Polarized light micrograph (crossed polarizers) showing symplectites of jadeite and quartz formed during prograde replacement of albite, CT30, Sesia Zone, Western European Alps

© Claudia Trepmann

Polarized light micrograph (crossed polarizers) symplectites of albite and clinopyroxene formed during retrograde replacement of omphacite, XU, Dabie Shan, China

© Claudia Trepmann

Polarized light micrograph (reflected light) showing magnetite (bright) in pseudomorphs after garnet, Manicouagan impact structure, Canada

© Claudia Trepmann

Polarized light room, C237, Luisenstraße 37

© Claudia Trepmann

Polarized light room, C237, Luisenstraße 37

© Claudia Trepmann

U-stage microscope

© Claudia Trepmann
Imaging techniques in paleoichthyology
room
D 314
contact person
Bettina Reichenbacher
Equipment
Leica stereo microscope Microscope with digital camera
Preparation
Utensils for preparation are available in room D U106.

© Bettina Reichenbacher

The equipment enables high-resolution analyses of the skeletal and cranial anatomy of fossil and extant fish. Using micro-CT data and AMIRA software, detailed 3D reconstructions are created to interpret phylogenetic questions and the lifestyle of the species under investigation.

The laboratory serves as a central preparation facility for sedimentological investigations and fossil preparation. Here, field samples are processed, washed, and sorted for subsequent identification and paleoecological interpretation. It provides the methodological basis for bachelor's and master's projects in the field of regional geology and stratigraphy.

© Bettina Reichenbacher
© Bettina Reichenbacher
Digital 3D Microscope
Room
C 329
Contact person
Bettina Scheu, Yan Lavallée

© Yan Lavallée

Keyence VHX-7000 Digital Microscope. The flexible microscope is equipped with an overhead LED light to reconstruct and characterize the surface topology of materials, whilst imaging with high focal depth and precision from micrometer- to centimeter-scale. This permits three dimensional characterization of shape, volume, and surface roughness. An automated sample stage with illumination from below enables polarization microscopy of petrological thin-sections. Samples with 10x10x2.5 cm3 (maximum 4kg) can be measured with the automated stage. At the highest magnification, a resolution of 10 µm can be achieved. Possible rotation and movement of the tilt axis allows sample characterization from various positions and angles.

Fluorescence microscopy

THUNDER Imager 3D Assay (Leica, 5-channel fluorescence)
Room
A105, Luisenstrasse 37
Contact
Oliver Voigt

© Dirk Erpenbeck

The THUNDER Imager 3D Assay enables fast, high-contrast 3D imaging in five fluorescence channels and transmitted-light/brightfield, improving signal clarity by reducing out-of-focus background. Its motorized stage supports automated multi-position acquisition, time-lapse experiments, and stitching for larger fields of view, making it well suited for quantitative assays and reproducible multi-well workflows. Installed fluorescence filter sets: 405 (DAPI/Hoechst), 488 (FITC/GFP/Alexa 488), 545–568 (TRITC/RFP/mCherry/Alexa 568), 594 (Texas Red/Alexa 594), 647 (Cy5/Alexa 647).

Fluorescence stereomicroscope (Leica M165 FC)
Room
A105, Luisenstrasse 37
Contact
Oliver Voigt

© Dirk Erpenbeck

Fluorescence and polarization microscopy form an essential bridge between morphology and genetics. These methods enable the complex skeletal architecture of sponges and the spatial distribution of microbial symbionts to be visualized directly in the tissue structure in high resolution and in 3D. By combining fluorescence signals with phylogenetic data, specific cell types or microorganisms can be precisely localized and their role in biomineralization or evolutionary processes analyzed. Supplemented by polarization optical studies to determine crystalline structures in skeletal elements, this integrative approach provides deep insights into the historical development and functional ecology of aquatic ecosystems.

The Leica M165 FC is ideal for observing larger, intact specimens in true 3D, combining fluorescence and transmitted-light imaging for rapid screening and documentation. A motorized focus allows acquisition of z-stacks that can be computationally combined into a single image with extended depth of field. Optional polarization accessories are available to perform polarized light microscopy for enhanced visualization of birefringent structures.

Leica DMLB (brightfield microscope with polarization, DIC, and camera)
Room
A105, Luisenstrasse 37
Contact
Oliver Voigt

© Dirk Erpenbeck

The Leica DMLB is a versatile upright microscope for documenting thin sections and routine microscopy applications. It offers simple polarization for cross-polarized imaging (e.g., to detect birefringent structures) and is equipped with DIC to enhance contrast in transparent samples. A dedicated camera system enables straightforward image capture for documentation and analysis.

Ore microscopy

© Florian Lhuillier

In paleomagnetism, reflected-light, ore microscopy serves as a crucial link between rock magnetism and geology. It enables the identification of remanence-bearing minerals such as magnetite, hematite, or pyrrhotite. Beyond simple identification, reflected-light microscopy allows for the examination of critical textures, such as ilmenite exsolution lamellae in titanomagnetites or signs of hydrothermal alteration and weathering. These observations are fundamental for evaluating the thermoremanent stability of a sample.

Analyzing grain sizes and domain structures under the microscope helps assess the reliability of recorded paleofield signals. In particular, distinguishing between primary magnetization and later chemical remanence (CRM) is nearly impossible without petrographic control. Ore microscopy thus forms the basis for interpreting paleomagnetic data, as it ensures that the measured directions truly represent the time of rock formation and have not been distorted by subsequent geochemical processes.

Raman spectroscopy

room
C 320
contact person
Melanie Kaliwoda
access regulations
Appointments by email
device
HORIBA Jobin Yvon XploRa
In-situ measurements with heating/cooling table
A heating and cooling table with Linkam Stage is available for temperature-dependent investigations. Samples can be analyzed in situ in the range from –150 °C to +600 °C. This allows phase transitions, thermal stabilities, reactions, and structural changes to be tracked under realistic conditions.
MSM-MRD database
Our internal reference database MSM-MRD contains Raman spectra of over 800 minerals, which were measured directly from the collections of the Mineralogical State Collection (MSM). This collection enables reliable identification of samples and provides a valuable basis for research, teaching, and external collaborations.

Raman spectroscope from HORIBA Jobin Yvon (model Xplora). Visible are the microscope area with sample table, objectives, and eyepieces, as well as the closed design of the laser and detection system. | © Fabian Joseph

A Raman spectrometer is an analytical measuring device based on the so-called Raman effect. When monochromatic laser light strikes a material, a small portion of the light is scattered inelastically. The resulting energy shift is characteristic of the vibrations of the atoms and molecules and provides a "spectral fingerprint" of the substance being examined.
This method opens up a wide range of possibilities for the geosciences: minerals can be identified non-destructively, crystal structures characterized, phase transitions tracked, and inclusions in rocks or meteorites examined. It is also possible to determine weathering products, glasses, or organic components.

The Raman spectroscope (HORIBA Jobin Yvon XploRa) is operated by the Mineralogical State Collection Munich (MSM). In addition, a mobile handheld Raman spectrometer from Metrohm with a green laser is available, enabling flexible measurements directly on objects on site.

  • Measurements on volcanic samples and rocks
  • Characterization of materials and mineral phases in the geoscientific context
  • Characterization of organic materials and plants

High-speed camera

High-speed camera Phantom V711
Room
Contact person
Bettina Scheu
Access regulations
Description
Each of the phantom V711 (Vision research) enables monochrome high-speed video recording in HD resolution at up to 7.530 fps; at reduced resolution up to 685.800 fps is possible; 1 µs minimum exposure, several lenses (Nikon F-mount standard); four flicker-free HQI-TS Lights for uniform areal illumination; 4 LED-cluster for spot illumination.

The monochrome high-speed cameras can be synchronized with a whole suite of sensor recordings (P, T, piezos, …).
So far it has been used to investigate:
fragmentation processes of natural samples (magmatic – phreatic)
expansion and fragmentation of analogue material
particle ejection velocity / behaviour
shock wave phenomena
rock fracturing and ash formation during compressive strength tests

The high-speed imaging suite, featuring Phantom V711 cameras, provides a powerful tool for capturing extremely rapid geoscientific phenomena that are invisible to the naked eye. By recording at up to 7,530 fps in HD resolution—and reaching over 680,000 fps at reduced resolutions—researchers can analyze high-energy events with microsecond precision. This setup is particularly effective for investigating volcanic fragmentation, shock wave phenomena, and rock fracturing during compressive strength tests. To ensure high-quality data, the system includes flicker-free HQI-TS and LED-cluster lighting for uniform illumination. A key advantage of this facility is the ability to synchronize monochrome video data with high-frequency sensor recordings of pressure, temperature, and acoustic emissions, allowing for a comprehensive, multi-parameter analysis of dynamic processes like particle ejection and ash formation.

Cameras

Thermographic (IR) camera
Room
Contact person
Anthony Lamur
Access regulations
Device
Thermographic (IR) camera, X6540sc (FLIR)
Description
This FLIR camera can be used to monitor the temperature of materials using infrared radiation (1.5 - 5.5 µm). It can be equipped with a 50 mm (11˚x8.8˚) or 89 mm lense (5.5˚x4.4˚) offering a full frame resolution of 640x512 pixels. This camera can record temperatures from -20 to 2500 ˚C with an accuracy of +/- 1 ˚C at a maximum frame rate of 300 Hz on full frame images and up to 4200 Hz on smaller focused windows.

Optical and infrared images of an experimental lava flow, showing the temperature of lava.

© Anthony Lamur
Portable Thermographic (IR) camera
Room
Contact person
Anthony Lamur
Access regulations
Device
Portable Thermographic (IR) camera, T450sc (FLIR)
Description
This portable FLIR camera can be used to monitor the temperature of materials using infrared radiation (7.5 - 13 µm). It can be equipped with a 20 mm (25˚) or 76 mm (6˚) lense offering a full frame resolution of 320x240 pixels This camera can record temperatures from -20 to 1500 ˚C with an accuracy of +/- 2 ˚C at a maximum frame rate of 60 Hz on full frame images.

The portable FLIR thermal imaging camera is a versatile tool used to monitor and analyze the thermal behavior of volcanic materials and geological processes. By capturing infrared radiation, it allows researchers to visualize heat patterns that are invisible to the naked eye, providing a safe way to measure extreme temperatures from a distance. Whether used for wide-angle observations of a landscape or focused studies of specific volcanic features, the camera delivers real-time data on how materials heat up and cool down. This capability is essential for tracking thermal anomalies, monitoring active lava flows, and understanding the energy dynamics of volcanic eruptions in both the field and the lab.

Multispectral camera
Room
Contact person
Anthony Lamur
Access regulations
Device
Multispectral camera (Parrot SEQUOIA)
Description
This light-weigth multispectral camera is designed to be mounted on drones for geo-tagged ground surveys in the optical and infrared bands. It is made of 4 distinct cameras that distinctively record 14 MegaPixels images in the green band (550 - 40 nm); red band (660 - 40 nm); Red Edge band (735 - 10 nm) and Near Infrared band (790 - 40 nm). This camera allows to easily compute important ratios (e.g. NDVI) to monitor surface changes or textures.