Electron Microscopy

Advanced Electron Beam Analytics: High-resolution imaging, microstructural EBSD mapping, and quantitative EPMA trace element analysis

The Central Facility for Electron Microscopy and the EPMA Laboratory provide a premier analytical suite for geoscientific and materials research, specializing in the nanometer-to-micrometer scale characterization of solids. By integrating FEG-SEM, Focused Ion Beam (FIB) tomography, and Electron Backscatter Diffraction (EBSD) with high-precision WDS microprobe analysis, we enable the quantification of chemical zoning, crystal orientation, and trace element distributions (down to ppm levels) across diverse crystalline and amorphous phases.

Central Facility for Electron Microscopy

The Central Facility for Electron Microscopy provides state-of-the-art analytical electron microscopes for material-based research and teaching in Geosciences at the Munich GeoCenter. The laboratory covers a wide range of various analytical techniques: e.g., electron backscatter diffraction (EBSD), cathodoluminescence (CL), energy dispersive X-ray spectroscopy (EDXS); focused ion beam (FIB). Associated is the sample preparation laboratory (e.g., ion thinning, vibration polishing, coating, sputtering).

  1. EDS element map of prehistoric cinnabar (HgS) dyed textiles (Gleba et al., 2021)
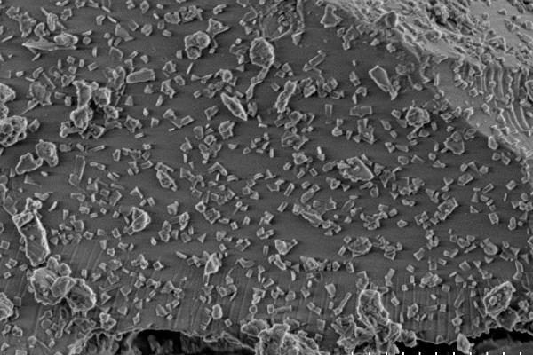
  2. Nanometric salt precipitations from experiments on the reaction of volcanic gas and ash (Casas et al., 2021)
  3. Cathodoluminescence image of zoned zirconium; Seybold et al. 2020.
  4. Au Mesocrystal

EDS elemental map of prehistoric cinnabar (HgS)-coloured textiles (Gleba et al., 2021)

© Claudia Trepmann

Nanometric salt precipitates from volcanic gas-ash reaction experiments (Casas et al., 2021)

© Claudia Trepmann

Cathodoluminescence image of zoned zircon; Seybold et al. 2020.

© Claudia Trepmann

BSE image of twinned titalnite; (Trepmann et al., 2026a)

BSE image of twinned rutile (Ru) indented by garnet (Grt); (Trepmann et al., 2026a).

BSE image of epidote(Ep)-allanite (Aln)-apatite(Ap) corona around monazite (Mnz); Hentschel et al. 2022).

EBSD map of shock-twinned calcite, impact breccia, Ries, twin boundaries are indicated by colour-coded lines (Trepmann et al., 2026b).

BSE image of shock-twinned calcite, impact breccia, Ries, Aumühle. Multiple twins are indicated by colours (Trepmann et al., 2026b).

EBSD data of fractured titanite (Ttn) with twins; (Trepmann et al., 2026a).

EBSD data of twinned amphibole (Amp) with deformation bands and inclusions of twinned titanite (Ttn); (Trepmann et al., 2026a).

Mesocrystals assembled from octahedral 44 nm gold nanoparticles stabilized b

© Elena Sturm

Mesocrystals assembled from cubic 14 nm magnetite nanoparticles stabilized by oleic acid (Schlotheuber et al., 2026; Chumakova et al., 2023)

Electron Microscopes
(further specifications, see below)
Hitachi SU 5000 with EBSD (Oxford Symmetry S3 CMOS)-, EDXS (Oxford)-, STEM- and CL (mini Gatan)-facilities; BU 133A
FEI Quanta 200 3D, W-cathode, FIB, FEI Peltier Cryo-Stage, LV, HV, ESEM; BU 133A
ZEISS Auriga, FEG with EBSD-, EDS-facilities, FIB; BU 133
Preparation/Coating
EM ACE600 coating, sputtering (Leica); BU 133
Ion Thinning (Hitachi IM 4000plus); C 236
Vibration Polishing (Vibromet Bühler); C236
Software
Software for EBSD/EDXS data acquisition: AZtec, EBSD-data processing: AZtecCrystal, MapsSweeper

The Hitachi SU 5000 Schottky FE-SEM (acquired in 2016) can be operated in high-vacuum and low-vacuum modes. The Hitachi SU 5000 is equipped with an 80 mm² SDD detector (Oxford Technology) for energy-dispersive X-ray spectroscopy (EDS), an HKL NordlysNano detector (Oxford Technology) for electron backscatter diffraction (EBSD), and a Gatan CL detector for cathodoluminescence (CL) investigations.

The ZEISS Auriga dual-beam system (FEG, first commissioned in 2011, acquired in 2023) is equipped with an Oxford 80 mm² SDD detector (X-Max80 with X-Stream pulse processor) for energy-dispersive X-ray spectroscopy (EDS) and an HKL NordlysNano detector (Oxford Technology) for electron backscatter diffraction (EBSD). In addition, the ZEISS Auriga is equipped with an Orsay Physics COBRA FIB column (tilted at 54°) as part of the CrossBeam workstation, in which ions are emitted, accelerated, focused, and deflected. The FIB unit includes a micromanipulator (Kleindiek) and a ZEISS 80 mm load lock. The gas injection system (GIS) is a ZEISS five-channel GIS with a charge compensator.

Control and data analysis are performed using AZtec 3.4 software (Oxford Instruments).

The FEI Quanta 200 3D dual-beam system (W cathode, first commissioned in 2006, acquired in 2023) can be operated in high-vacuum mode, low-vacuum mode, and environmental SEM mode (ESEM, up to 40 mbar and high humidity levels, e.g. under water vapor), which is particularly important for geobiological materials and outgassing samples. Using a focused Ga ion beam and an FEI Omniprobe manipulator, the sample surface can be milled and manipulated, and TEM sample preparation can be carried out.

In addition, the DualBeam microscope is equipped with an FEI Peltier cryo stage (from −25 °C to +55 °C), an FEI heating stage (up to 1000 °C), and a GATAN inert gas transfer system Alto 2100-S (for the transfer of air- and moisture-sensitive samples). This setup enables in-situ sample investigations at both low and high temperatures.

SEM (Hitachi SU 5000) with EBSD (Oxford Symmetry S3 CMOS)-, EDXS (Oxford)-, STEM- and CL (mini Gatan)-facilities

ZEISS Auriga, FEG with EBSD-, EDS-facilities, FIB

W-cathode, FIB, FEI Peltier Cryo-Stage, LV, HV, ESEM

Ion Thinning Hitachi IM 4000plus

EM ACE600 Coater (Leica)

Electron-Probe Micro-Analyzer (EPMA) laboratory

Rooms
EPMA lab: C 327
EPMA sample preparation: C 006
Contact person
Dirk Müller (EPMA lab manager), Norbert Grahle (EPMA sample preparation)
Access regulations
Analysis can be done by trained users, only. Please contact the lab manager if you require training
Equipment of the EPMA sample preparation lab
Buehler low speed saw
ATM Saphir 320E polishing (by hand)
Logitech PM2A polishing (automated with sample holder)
Logitech CL50 polishing (automated with sample holder)
Balzers MED810 carbon coater
Application
Full quantitative point analysis or mappings of elements ranging from boron up to uranium. Detection limits can go down to the lower ppm level.
• High precision determination of chemical composition (e.g. diffusion profiles, geothermobarometry)
• Trace element analysis (e.g. geochronology)
• Light element analysis (boron – fluorine)
• Heavy element analysis (e.g. rare earth elements, platinum group elements)
• Valence state determination (e.g. Fe2+/Fe3+; S2-/S6+)
Sample
Our sample holders accommodate both thick sections (stubs), 1 inch (25.4 mm) in diameter with a maximum thickness of 10 mm; as well as standard, uncovered, thin sections (48x28 mm; Gießener format). For sample sizes, different from the aforementioned dimensions, please contact the lab manager. We offer a selection of additional sample holders and can manufacture custom sizes if required. In our facility we can prepare thick sections (epoxy-mounts) for users.
The samples must have an electrically conductive surface. Electrically non-conductive materials require a carbon coating.
The sample chamber is maintained at a high vacuum (~5*10-5 Pa). Only samples that do not outgas under the prevailing pressure conditions can be measured.

Our electron microprobe is a Cameca SX 100 equipped with a LaB6 electron source, 5 WDS spectrometers, a CL detector, and BSE and SE detectors. It can be used to measure major, minor, and trace elements in solid materials such as minerals, rocks, ceramics, and glasses. The laboratory manager is a member of the European Microbeam Analysis Society (EMAS) and the International Association of Geoanalysts (IAG) and participates in the G-Probe interlaboratory tests to ensure consistently high data quality.

LMU EPMA lab, accommodating a Cameca SX100 microprobe.

© Dirk Müller

Elemental mappings for Mg, Fe, Ca and Mn in a garnet. The chemical zoning indicates different growth conditions during the formation of the garnet. Taken from Melnik et al. (2021).